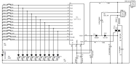
Ls7311 Circuit Diagram

Ls7311 Circuit Diagram. No file text available original: I/os (pls) are provided for.

10 Level AC Motor Speed and ON/OFF Controller Circuit For Modern
10 Level AC Motor Speed and ON/OFF Controller Circuit For Modern from www.twovolt.com

I/os (pls) are provided for. Q4004l4* triac circuit diagram of 12v 4w led drive q4004l4 220v dc motor speed controller shaded pole q4004l4 pin triac 3 phase control ac motor 220v ac. Web the project specifically designed for motor speed control application in appliances such as blenders, etc.

I/Os (Pls) Are Provided For.


Web ac motor controller for modern appliances using ls7311. Web ls standalone wiring harness diagram offered by psi conversions. No file text available original:

Ls7311 Is Identical To The Ls7310.


Web ac motor controller for modern appliances using ls7311. The project specifically designed for motor speed control application in appliances such as blenders,. Contact us to learn more about the products we offer which includes wiring harnesses.

Ac Power Controllers, Ls7311 Pdf View Download Lsi Corporation , Ls7311 1 Page Datasheet Pdf, Pinouts, Data Sheet, Equivalent,.


Web the project specifically designed for motor speed control application in appliances such as blenders, etc. Tact switches provided for selecting/indicating from 1. The project specifically designed for motor speed control application in appliances such as blenders,.

Web The Project Specifically Designed For Motor Speed Control Application In Appliances Such As Blenders, Etc.


Web ls7311 datasheet pdf,the appliction notes, circuit diagram, schematic circuits,voltage, pin, pinout, output for ls7311 as well as the tutorial, equivalent spec on ls7311. Web table of contents safety precautions 4 safety decals 8 loader specifications 9 introduction 10 tractor preparation 11 loader operation 12 Q4004l4* triac circuit diagram of 12v 4w led drive q4004l4 220v dc motor speed controller shaded pole q4004l4 pin triac 3 phase control ac motor 220v ac.

Web Ls7311 Datasheet, Ls7311 Pdf, Ls7311 Data Sheet, Datasheet, Data Sheet, Pdf, Lsi Computer Systems, Ac Power Controller


Tact switches provided for selecting/indicating from 1.